
全国免费服务热线:400-1688-727
产品名称:KA手动泵
所属分类:润滑配件
厂家介绍:河北凯发科技有限公司座落于河北省沧州市,专业从事润滑设备生产、阀门及维护,是一家集设计开发、产品制造工程项目成套为一体的综合性实体。
产品概述
本机是一种小型的润滑泵,可直接安装于机器的壁板或机架上,由人力扳动手柄,排出润滑脂,可与双线分配器组成手动集中润滑系统,向机器的各个润滑点供送定量润滑脂;适用于频率较低(一般给油间隔8小时以上),配管(DN 15)长度不超过50米,润滑点不超过80点的单机小型设备上,作为集中润滑供送润滑脂的装置。
技术参数

使用介质为锥入度310-385(25℃,150g)1/10mm的润滑脂(NLGI0#-1#)和粘度等级大于N68的润滑油,适用环境温度-10℃~40℃。
原理图

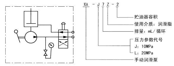
型号说明


工作原理

手动润滑泵供脂是由人工摆动手柄,通过小齿轮带动有齿条的供油柱塞往复运动实现的。当柱塞处于右端极限位置时,右端腔室压油结束,左端腔室吸油完毕。当摆动手柄,柱塞向左运动时,先关闭左腔室吸口,挤压润滑脂顶开单向阀经换向阀流道进入供油主管路Ⅱ内排出;此时柱塞右腔室的容积增大形成真空,其真空度逐渐增大,当柱塞运动到左端极限位置,右腔室吸口打开,在大气的作用下,润滑脂被吸入,反向上述动作,润滑脂顶开单向阀经换向阀流道进入供油主管路JJ排出。供油过程中的换向是通过换向阀的换向实现的。当把换向阀手钮推进时,则润滑脂从主管路II排出,当把换向阀手钮拉出时,则润滑脂从主管路I排出。
操作方法
1、将换向阀手钮推进至极限位置,供油主管lI供油。
2、摆动手柄前后运动,压力表指针波动变化,证明系列分配器在给油。
3、泵上压力表指示压力值上升保持稳定,证明系统分配器全部动作完成。
4、将换向阀手钮拉出至极限位置,供油主管I供油,按2、3条进行操作。
5、卸除管路压力,换向至供油主管II,为下一个工作循环准备,手柄扳至垂直位置。
使用说明
1、手动润滑泵应垂直安装,泵的上方及周围要留有指示杆上升及补脂操作的空间,需在室外或环境恶劣的场合安装时,应将泵置于防护罩内。
2、贮油器内无润滑脂时,不许操纵手柄,下油位应及时补脂。
3、向贮油器内加注润滑脂,必须使用专用的手动或电动加油泵从加油口充填。
4、泵使用压力不许超过泵的公称压力。
5、泵加油口的过滤网应定期检查、清洗。
| 姓名: |
|
| 手机: | |
| 备注: |
|
| 提 交 |